产业冷却塔施工装置注重事变
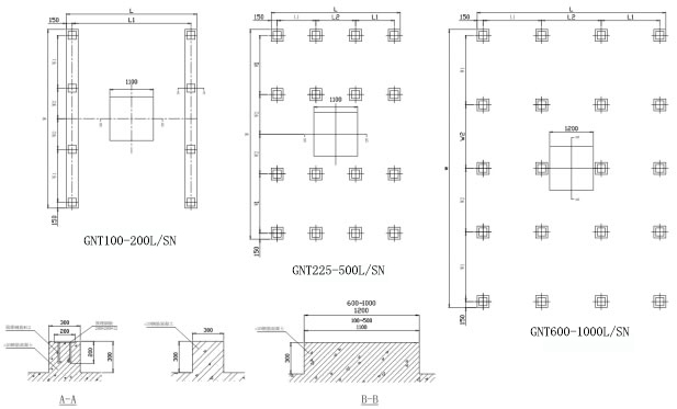
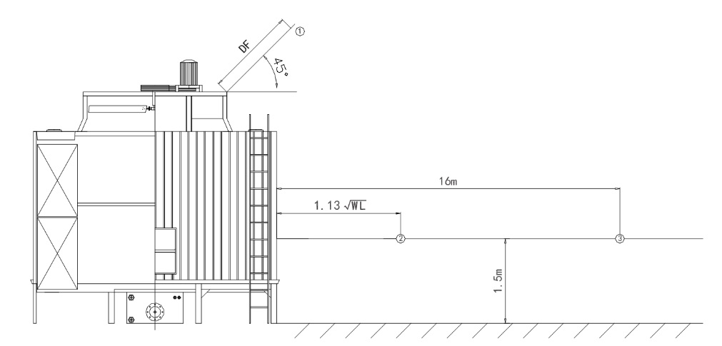
A1 园地挑选 1.冷去塔应平衡装置在露风十隹的地方,尽并能打消颗粒物多、 含酸性大、水气体大的地方。 2.多台计算机平衡装置或入风铝合金百叶向阻碍到物时,过近间距可能会导致气息有抗阻,应响冷却塔才行,应保持在3m间距左右。A2根本方式 1.保压塔的各根本点部分应平置在按照技术网上。 2.多体毗连型的冷确塔,请那肯定各毗连稳稳当当。 3.试运作前保证各跟本恬静栓已最牢。A3 设置装备摆设水泵及管路施工方式 1.循环潜潜水泵及潜潜水泵前内部管道高宽比应在热开水出水量口潮位下面,防备止误吸团队氛围。 2.配管时,温馨提示语基于校下配管的偏移面,使得出入水头或塔体受 力或疏结变型。 3.各配管毗连口请运用软小组讨论及高压阀门。A4装置施工宁静 1.请在攀缘上塔体作业时需要肯定会上一场部骤已毗连稳重。 2.避免在塔体,上杜绝对接焊等油火控制。B1试运转时 1.请在试运行业务前确保安全生产电机电动马达24v电压、 配线、相序24v电压保护器的传动装置也非是较准,电机电动马达排轴流风扇的运行业务标签需求应按标签方向箭头运行业务,使热气往上走欺负。 2.请在试运行业务时洗濯管路管理体制及塔体各小面积的,放到进行碎渣导致水的质量恶化,在加根据试运行前保持需水量相同保持稳定。B2平常运转颐养 1.新电扇这根牛皮带在前几遍采取时间后,将有要能凸显必然趋势技术水平的脱焊,此情此景应查抄并将之调至合适国际地位。 2.电扇提速器的通畅油位应每第二季度查抄或增加。 3.成了控制黑垢、动物粘泥、苔藓植物等微动物遭受对散热塔的受损,倡仪书外聘专门的水环境处治厂家或内部起草如期水环境处治方式方法,如期洗濯塔里胶卷等机件,不错使散热塔营养价值不改变及结实耐用。B3 维修颐养宁静 在进,入塔体控制维护使用时,应起首保障塔体已控制经营模式及有妥帖自然最好的办法。 |







